
ASSEAU S.A. met son savoir au service de sa clientèle.
Nos connaissances et notre expérience, font qu’ASSEAU S.A. est apte à résoudre la plupart des problèmes, du plus conventionnel au plus délicat,
et nous permettent également d’élaborer les solutions les plus avantageuses.
Nous disposons d’une large gamme de charbon actif, que ce soit pour la phase gazeuse ou la phase liquide,
disponible en filé, en granulé, en concassé ou en poudre.
La purification de l’eau potable

Depuis plus de 25 ans, ASSEAU S.A. est l'agent officiel du groupe CarboTech pour le Bénélux et la France.
Carbotech est l'un des principaux fournisseurs mondiaux de charbons actifs en poudre, granulés et extrudés de haute qualité.
Sur son site de production, situé au cœur de la région de la Ruhr,
une variété de charbons actifs, de coke actif et de tamis moléculaires en carbone sont produits, raffinés et conditionnés,
en utilisant des matières premières telles que la houille, la coquille de noix de coco et le charbon de bois.
Avec plus de 60 ans d'expérience, CarboTech est le leader du marché de la réactivation et de l'application du charbon actif dans diverses industries.
Nous nous assurons que nos clients reçoivent des solutions expertes adaptées à leurs besoins spécifiques.
Notre offre va au-delà de la simple fourniture du charbon actif adéquat.
Nous fournissons un ensemble complet de services, permettant aux clients de sélectionner les composants qui répondent le mieux
à leurs besoins.
Grâce à notre collaboration étroite et de longue date avec CarboTech, nous proposons des services transfrontaliers et
des solutions de réactivation, garantissant ainsi à nos clients une exécution de projet efficace et sans heurts.
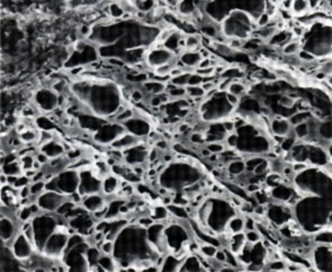
Le charbon actif est un adsorbant car on parle ici de phénomène d'adsorption et non d'absorption.
L'adsorption est un processus physique dans lequel les molécules sont fixées à la grande surface interne du charbon actif dans les pores.
Les substances adsorbées dans le charbon actif peuvent être à nouveau désorbées par traitement thermique ; En conséquence, par exemple dans le cas de solvants adsorbés, ces substances peuvent être réutilisées dans le sens de la préservation de matériaux précieux. On peut prendre comme exemple une éponge de bain qui adsorbe de l'eau, qui se désorbe à nouveau en pressant l'éponge.
L'absorption, quant à elle, décrit l'absorption d'une substance par des forces capillaires dans un autre corps. Il ne s'agit pas d'accumulation en surface, comme dans l'adsorption, mais d'absorption dans le volume libre de la phase absorbante.
Le charbon actif est obtenu à partir de matières premières contenant du carbone (bois, tourbe, houille, lignite, coques de noix de coco, noyaux de fruits, etc.).
Toute matière première organique contenant du carbone est a priori adaptée à la production de charbon actif.
Après sélection des matières premières, celles-ci sont activées physiquement ou chimiquement dans un four d'activation.
Par cette activation, une structure carbonée est obtenue grâce à la réaction du gaz et de la vapeur d'eau.
Pour trouver les origines du charbon, il faut remonter de 200 à 300 millions d'années en arrière.
À cette époque, la terre ressemblait à une vaste serre : couverte de marécages et d'une végétation luxuriante entourée d'un climat chaud et humide.
Les terres s'affaissent, les débris végétaux s'accumulent, fermentent et sont enfouis sous les sédiments.
Ce processus répété de stratification des dépôts dans une atmosphère chargée de dioxyde de carbone a donné naissance à une substance solide, combustible et à haute teneur en carbone, le charbon.


Cette étape est nécessaire pour transformer la matière première en charbon carbonisé.
Le charbon issu de matières premières carbonées présente une infinité de pores (quelques Angströms) obstrués par de la matière organique.
Pour être transformée en charbon activé, on chauffe à haute température (≈ 300 °C) dans un four rotatif ou vertical cette matière carbonée pour la débarrassée de tous produits organiques, c’est la carbonisation.
Après la carbonisation vient l’activation.
L’activation est l’étape qui consiste à ouvrir les pores du charbon actif.


Le charbon est mélangé avec de la vapeur d’eau et d’azote.
La matière organique est alors détruite.
Le tout est chauffé à 700 – 1000 °C.
La matière carbonée est mélangée avec de l’acide sulfurique, phosphorique ou du chlorure de zinc.
Le tout est chauffé entre 400 °C et 800 °C.
Cette méthode d’activation est utilisée pour les charbons actifs en poudre.
Suite à l’activation, nous pouvons remarquer que :
Plus le charbon actif est activé, plus la surface interne augmente.
Plus le charbon actif est activé, plus le volume des micro, méso et macropores est élevé.
Il n’est pas rare d’avoir un charbon actif avec une surface interne supérieur à 1.200 m²/gramme de charbon actif.
Plus le charbon actif est activé, plus le volume des micro, meso et macropores augmente.